产品概述
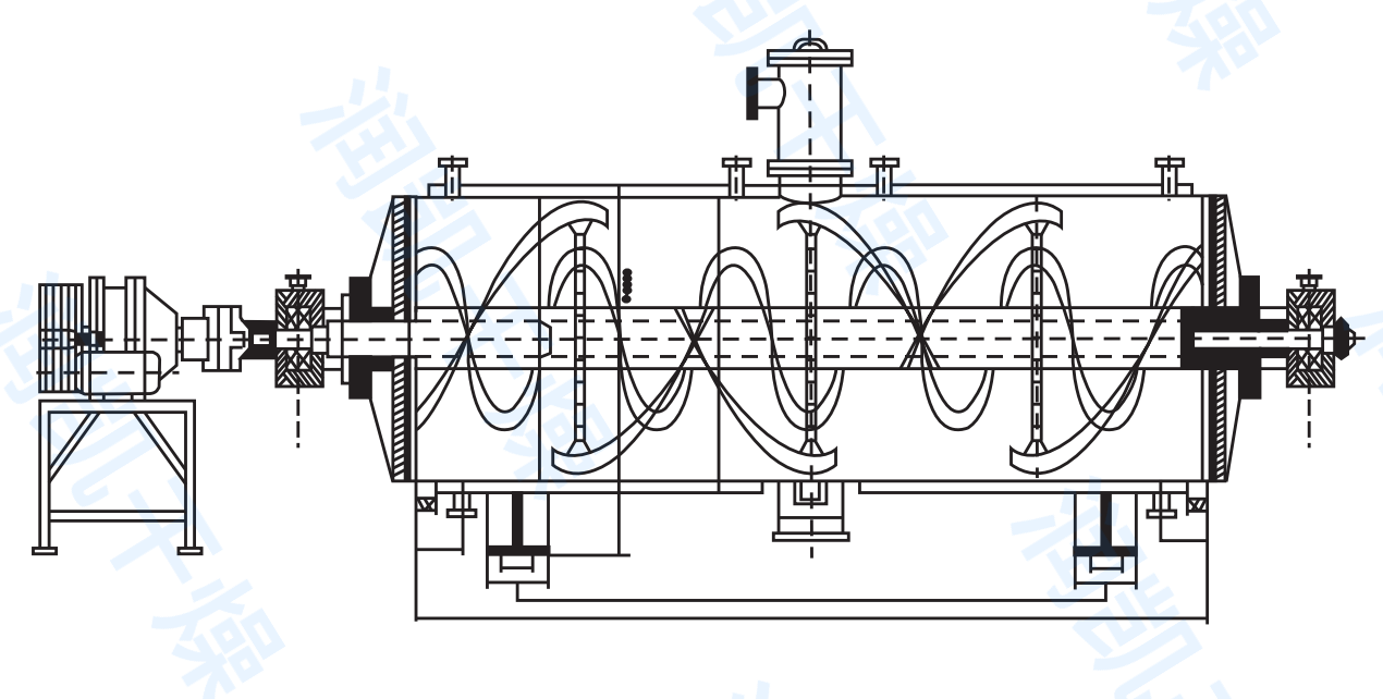
真空耙式干燥机是一种新颖卧式间歇式真空干燥设备,湿物料经传导蒸发,带有刮板搅拌器不断清除热面上的物料,并在容器内推移形成循环流,水份蒸发后由真空泵抽出。真空耙式干燥机,在化学工业中的有机半成品和燃料干燥操作中用得较多。
13585318668 朱经理 13813669788 殷经理
真空耙式干燥机是一种新颖卧式间歇式真空干燥设备,湿物料经传导蒸发,带有刮板搅拌器不断清除热面上的物料,并在容器内推移形成循环流,水份蒸发后由真空泵抽出。真空耙式干燥机,在化学工业中的有机半成品和燃料干燥操作中用得较多。
真空耙式干燥机装置用蒸汽夹套间接加热物料,并在高真空下排气,因此特别适应不耐高温、在高温下易于氧化的物料或干燥时容易产生粉末的物料(如各种燃料),以及干燥过程中排除的蒸汽或溶剂必须回收的物料干燥作业。真空耙式干燥机中被干燥物料含水量或溶剂量最高达到90%,而最低的只有15%。被干燥物料有浆状、膏状的、粒状的、粉状的,也可以是纤维状的。这些物料干燥后的含水率一般达到0.1%,甚至0.05%。被干燥物料从壳体上方正中间加入,在不断转动的耙齿的搅拌下,物料与壳体壁接触时,表面不断更新,被干燥物料受到蒸汽间接加热,而使物料水分气化,气化的水分由真空泵及时抽走,该机可同时采用夹层与耙齿同时加热方式,传热面积更大,热效率高,使其获得更高的干燥效率。由于操作真空度较高,被干燥物料表面水蒸气压力远大于干燥机壳体内蒸发空间的水蒸气压力,从而有利于被干燥物料内部水分和表面水分的排出,有利于被干燥物料的水分子运动,达到干燥目的。
应用:
医药、食品、化工等行业进行以下物料干燥:
适用于浆状、膏糊状、粉状物料。
要求低湿干燥的热敏性物料。
易氧化、易爆、强刺激、剧毒物料。
要求回收有机溶剂的物料。
特点:
本机夹层与搅拌轴同时加热,传热面大,热效率高。
本机搅拌轴可正反转,使物料在筒内形成连续循环状态,进一步提高了物料受热的均匀度。
本机搅拌轴采用螺旋分布,从而可顺利进行浆状、膏状、糊状物料干燥。
技术参数:






